
| 产品品牌 |
| 产品型号 |
| 产品口径 |
| 驱动方式 |
| 主体材质 |
| 连接形式 |
| 适用介质 |
| 执行标准 |
| 产品价格 |
ZHRO型电动O型球阀,是由电子式角行程电动执行机构3610R或3410R系列与球阀调节机构组成。
1、启闭迅速、轻便、流体阻力小、结构简单。
2、相对体积小、重量轻、便于维修、密封性能好。
3、连线简单、结构紧凑、尺寸小、重量轻、动作稳定可靠。
| 公称通径 mm | 15 | 20 | 25 | 32 | 40 | 50 | 65 | 80 | 100 | |
| 额定流量系数Kv | 20 | 38 | 72 | 110 | 170 | 270 | 380 | 510 | 940 | |
| 公称压力 MPa | 1.0;1.6;2.5;4.0;6.4 | |||||||||
| 额定转角 ° | 0~90 | |||||||||
| 流量特性 | 快开 | |||||||||
| 介质温度 ℃ | -20~120 | |||||||||
| 阀体材质 | HT200 ;ZG230-450 ;ZG1Cr18Ni9Ti;ZG0Cr18Ni12Mo2Ti | |||||||||
| 球体材质 | 1Cr18Ni9;0Cr18Ni12Mo2Ti | |||||||||
| 配执行机构型号 | PN10、16 | 361RSA-05 | 361RS(X)B-10 | 361RSC-30 | ||||||
| 341RSA-05 | 341RS(X)B-10 | 341RSC-30 | ||||||||
| PN40 | 361RS(X)B-10 | 361RSC-30 | 361RSD-150 | |||||||
| 341RS(X)B-10 | 341RSC-30 | 341RSD-150 | ||||||||
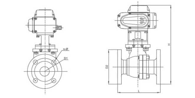
| 公称通径 | L | D | D1 | D2 | n-d | H | D3 |
| 15 | 130 | 95 | 65 | 46 | 4-φ14 | 322 | 260 |
| 20 | 140 | 105 | 75 | 56 | 4-φ14 | 325 | 260 |
| 25 | 150 | 115 | 85 | 65 | 4-φ14 | 333 | 260 |
| 32 | 164 | 135 | 100 | 76 | 4-φ18 | 427 | 290 |
| 40 | 180 | 145 | 110 | 84 | 4-φ18 | 448 | 290 |
| 50 | 200 | 160 | 125 | 99 | 4-φ18 | 456 | 290 |
| 65 | 220 | 185 | 145 | 118 | 4-φ18 | 495 | 380 |
| 80 | 250 | 195 | 160 | 132 | 8-φ18 | 535 | 380 |
| 100 | 280 | 215 | 180 | 156 | 8-φ18 | 568 | 380 |
| 125 | 320 | 245 | 210 | 184 | 8-φ18 | 635 | 380 |
| 150 | 360 | 280 | 240 | 211 | 8-φ22 | 700 | 380 |
| 200 | 400 | 335 | 295 | 266 | 12-φ22 | 860 | 520 |

1、要留有阀柄旋转的位置。
2、不能用作节流。
3、带传动机构的球阀应直立安装。
电动O型球阀适用于高粘度、含纤维、固体颗粒流体的场合,广泛应用于石油化工,冶金、轻工等工业自控领域对气体、液体输送管道中介质的切断或流通。
上一篇:气动O型球阀